联系人:压缩机部
电 话:138 6429 9098
邮 箱:qdxrjx@126.com
网 址:www.gdpjzy.com
地 址:青岛市湘潭路56号

青岛麻豆视频免费成年人网站机械有限公司凭借在行业领域的专业水平和成熟的技术,迅速崛起。依靠科技求发展,不断为用户提供满意的高科技产品,是91麻豆视频网站始终不变的追求。充分引进吸收国内外先进技术,广泛应用于冶金、化工、起重、供水、制药、机械设备等众多领域,并以一流的产品质量和精湛的技术服务受到了用户的一致好评。
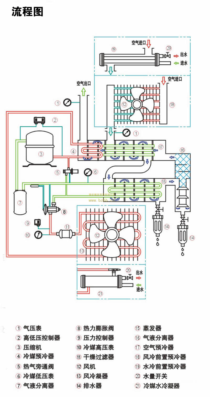
冷冻式干燥机是根据冷冻除去湿原理,将湿热的压缩空气强制冷却处理,使绝大部分水蒸器变成水滴,经气液分离器除去,达到干燥压缩空气的效果。
冷干机采用标准制冷压缩机,运转稳定,噪音低,能耗小,安全可靠。
热交换器,冷凝器选用优质,效率高的螺纹管或光管,传热系数高,体积小,结构紧凑。换热器外筒体在压结缩空气流经部分经塑化处理,避免铁锈等污染物对压缩空气的二次污染。

